sept 12 Clayton
coil overs 2,600
timing belt, water pump, thermostat 1,850
cv axle 375
rear tow arms 675
alignment
rear brakes 575 I said no
control arms 675 done
sept 4
i think Clayton said that only the outer tie rods were replaced and that the inner ones were fine so they didn't replace the
$987.43 additional (already paid parts deposit earlier)
~4% fee for credit card
OBDII sensor: wide side on top
page index:
000 factory service manual .pdfs & VCDS
005 todo
bumper
brakes - front
brakes - rear
brake - parking
colors
Cruise Control
cup holders
dashboard vents & center console & wood trim removal
electrical
electrical - under hood "ECU Plenum"
factory service manual .pdfs & VCDS
facelift differences
jack locations and engine stand setups
keyfob
mass airflow
misc
misc repairs
oil change
parking brake
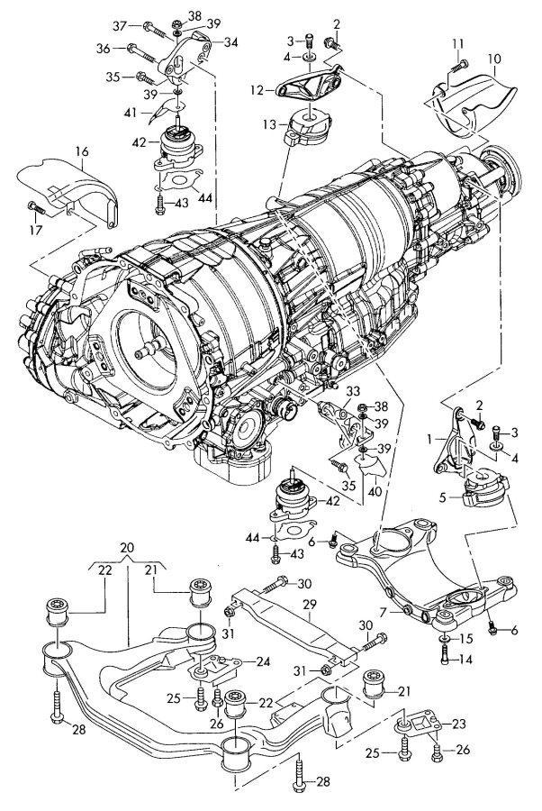
parts diagrams
parts suppliers & mechanics
rear brakes
rear view mirror
factory service manual .pdfs & VCDS
sunroof and sunroof drains and headliner
Tachometer & Oil Light
turn signal - front
wheels and tires
Audi Diagnostic Trouble Codes table (and convert DTC16000's to P-code P0010s) local .pdf
many service manual .pdfs for '94
free online factory service manual is lousy (pics small and negatives, index sucks) version of alldata which is
free through library:
go to https://divi.geaugalibrary.net/
click Resources and research to go to https://divi.geaugalibrary.net/resources2/
click AllData From Home to go to https://my.alldata.com/#/home
[User and Password: Comp1500]
click Repair to go to
https://my.alldata.com/repair/#/landingPage
select year, make and model (and engine if prompted)
wiring diagrams out of stock CD at walmart post referencing Bentley manual maybe can order from here Audiusa's erWin where can apparently rent manual viewings
AudiWorld post on
repair-manuals.com info and erWin and Bentley
this guy made .pdf of entire manual by hand this appears to be his (unused since 2013) audiworld profile i think i found his quatroworld profile too, but that is also dormant since 2013
cd image jewel case front and cd face
more info on manuals and subscriptions and VCDS
Elaswin free download links has a link "ElsaWin5.2 Free Version (Try this ar you own risk)" that points to https://mega.nz/#F!1A5SWALa!6vLvHydIFvuiHXSwhPW8Hw which seems to at least be about 15gb in size. The instructions are for setting up a VirtualBox environment, maybe so one doesn't need to have an XP machine lying around?
needed: cruise switch mp3 player garage door wiring cell phone wiring
excellent repair descriptions for D2s at Audi Pages
AudiWorld A8 forums
to see old audiworld pics with links like "http://pictureposter.audiworld.com/31455/escapa8_one_jack_two_wheels_off_the_floor.jpg" click the author's name, then click "Albums" in the right column and start hunting. By changing "Default" dropdown to "Most recent" at least they are in chronological order
AudiWorld administrator
Quatro World forums D2 A8 pages with 13000+ threads
Audizine forums (not many threads) AudiForums is another that doesn't have a ton of threads
Audi Bedford Parts UK ebay seller with tons of A8 parts Wolf (Used) Auto Parts FCP EURO new parts Jim Ellis Audi Parts probably dealer GermanAutoParts.com
D2 specs and another
Wikipedia D2 page Audi models and current engines
attach and remove rear view mirror in factory service manual
C:\RB\vehicles\audi\000 manuals\charm.li download - reformatted from factory manual\1999 Audi A8 Quattro Sedan (4D2) V8-4.2L (ABZ)\Repair%20and%20Diagnosis\Body%20and%20Frame\Mirrors\Service%20and%20Repair\Removal%20and%20Replacement\Rearview%20Mirror%2C%20Removing%20and%20Installing\index.html
Service Manual Electrical system _ 01 99.pdf pfp194 diagram of where components are located "97-wiring->2 - Fitting locations of control units"
Service Manual Electrical system _ 02 99.pdf pfp164 drawings of the individual relay and fuse carriers "97-wiring->1.1 relay carrier, fuse carrier"
Audi A8L Fuse Location.pdf pdfp1 "Component Location No. 802/1" has similar info, but may not match mine
fuses & relays described starting on pdfp4
audi backseat lighter tied to window lock 1 2
[2025-05-19 update]
Audi engine codes May 19th
I took pictures of the engine codes before I cleared them.
It appears they were all from before me drying out the engine compartment ECU plenum a few days ago, which solved the limp mode issue again
there was not much water on the bottom (no turkey baster needed), but there was enough to wet the bundle of wires wrapped in cloth tape & there was a lot of condensation on lid bottom
It did not fix the high idle
How to Replace the Idle Air Control Valve video
2024-08-21 seems to be my exact problem and for them it was the j271 relay
another that may be a bit different but very similar
2024-08-21 mass airflow replacement with good images
2024-08-22 9am I put in the 214 relay from the 97 and the 99 wouldn't start I put the 99 original 214 relay back in and it did start
2024-08-22 10:20 a.m. I now have the spare engine's idle control valve on with the 99's original 214 relay and the 97's mass air flow and it still surging but it's not stalling at least initially because the RPMs are being held around a thousand rather than 600
2024-09-02 712am I should check to see if D2 4.2 has "intake manifold links" that may be part of my problem. this is a D3 thread on them with good pics
this is the thread I was reading that linked to it - see post #9
2024-12-06 months back I was unable to definitively determine if the "ECU Plenum" is the exact name of the plastic box that I have had so much trouble with (it is)
found a note from Oct 10 with this link and the text "2021-01-02 note in .txt file" [not sure what that means anymore]
"connector point electronics box" pic zoomed out with my labels
- took me so long to figure out because diagram shows connector 1 in upper right, where in actual vehicle connector 1 is in bottom left
zoomed in
"connector point electronics box"
"relay and fuse carrier electronics box plenum chamber" pic zoomed out with my labels - took me so long to figure out because left portion of connector (1, 3, 5, 8) doesn't exist in actual vehicle
zoomed in "relay and fuse carrier electronics box plenum chamber"
J271 pinout pic
section 34 is the engine electrical diagram section for my ABZ engine code in pdfs
transmission electrical diagram location in pdfs
s113 automatic transmission gearbox fuse diagram location in pdfs
s116 injector fuse diagram location in pdfs
2024-09 I downloaded all the manuals from https://forum.a8parts.co.uk/showthread.php?t=9345 even if they don't apply to my A8s
***** READ THIS
*****
find them at C:\RB\vehicles\audi\000 manuals\000 all pdfs
***** READ THIS
*****
wiring diagram for 2001 S8 search hdd for "001 wiring diagrams #audi"
2023-03-29 I saw this post on facebook and saw someone who might send it on usb for free
I searched google for elsawin and the first result is a free online version from russia - i clicked the Audi before 2023 link
This link goes directly to my '99 relevant info
at kolhosniki.ru
it appears in 2021 i found this link and perhaps downloaded all the relevant ones for my particular 1999 D2 A8 4.2 Quatro but that is unverified. i came across the links again in 2023 without realing i had already been there. D2 service manual .pdfs by chapter aka "D2 Tech dump on A8 Parts Forum" (found link 2023-01-16 here)
this is the charm.li page for my Audi. It appears to be reformatted content from the kolhosniki.ru link at the top of this section, so use that one instead of this one
I did download the (Download for offline use. Still free!) link and unzipped it to
C:\RB\vehicles\audi\000 manuals\charm.li download - reformatted from factory manual
it has some pages that are not correctly displayed from the "Repair and Diagnosis" link
Bentley publishers 1999 A8 materials
A post I have linked elsewhere on this page reads "...May I assume you looked at Ross Tech Wiki?..." referring to the Ross-Tech website
https://store.ross-tech.com/shop/cat/VCDS/
VCDS = VAG-COM Diagnostic System
post on sales model by VINs input
sticky post on a8parts forum about VCDS and a handful of posts a year in the forum itself i had a google note that i saw it at 12:54AM 2023-01-16
2023-01-17 article on comparison of 2 tools for diagnosing vw group cars' problems with link to 30 min video
As long as it does what the others do, I am going to buy the VCDS® HEX-V2® Enthusiast - USB Interface 3 VIN version (the cheapest one) for $199.00
VAG = VW-Audi Group Cars: VW Audi Seat Skoda
I'm not sure if these manuals at diyrepairmanuals.com are from Audi or not
similarly, is allservicereapirmanuals selling Audi content or their own content
eBahn Bentley Publishers on archive.org
this is the page foo the factory repair manual; it is labelled "Audi A8 1997, 1998, 1999, 2000, 2001, 2002, 2003 S8 2001, 2002, 2003 Repair Manual on DVD-ROM" and the author is listed as "Audi of America, Inc."
though there are links for these as well
Electrical Systems, Heating and Air Conditioning, Body Systems
Transmissions, Suspension, Brakes and Steering
eBahn® License for Audi Transmissions, Suspension, Brakes and Steering
Model Basics
autofans bumper parts diagram shows it as
4D0807105B "cover for vehicles with headlight washer system"
4D0807105B GRU "primed if necessary paint in color of vehicle"
Best Foreign Auto Salvage & Sales Inc. in Aliquippa
place where kid at tire shop in Cuyahoga Falls bought engine to fit his 99 A8 for $500
couldn't get bumper but has both plastic inner fenders and will sell them for $75ish
denver bumper info at C:\RB\vehicles\audi\000 bumper search\denver
Color on the window sticker is Pearlescent White Clearcoat. It appears L0B9 on the build sticker is the color code. It is listed as Pearl White on paintref.com
found references on the internet to L[zero]89 and L[letter O]89, so I am not sure which is correct
Dave Sr. at Bainbridge claims it is a zero in the middle. He got the code from Audi.
According to this post, the BV portion of the interior color code N3Q/BV on the '99 means Platinum, which matches the window sticker
parts from fcpeuro.com
see
Facelift_S8_A8_wood_trim_removal.pdf
and other docs in
C:\RB\vehicles\audi\ashtray\service manual
good D2 repair blog from audi-diy.blogspot.com
https://forums.ross-tech.com/index.php
http://forum.a8parts.co.uk/ 2024-09 down for a couple days
A8 Parts forum with many questions answered and used parts for sale
https://forums.quattroworld.com/
2024-10 the d2 forum found this post with several service manuals but hardly any posts on site
2021-09-10 Phillips
tires 235/60R16
alignment
rear brakes
squeek in right rear suspension is lower control arm bushings
rear axle seals are leaking
numerous oil leaks
large evap leak
trunk lock doesn't open with key 2023-01-16 after seeing this link and putting it on the site today, i tried the key in the trunk lock and it works fine both to lock and unlock the trunk. i could have sworn it didn't work in the past, leaving me concerned that if the battery went dead i wouldn't be able to get in to the trunk to replace it. i shouldn't have been worried all these years.
2026-01 d4 S8 sales numbers thread
2026-01 d2 bluetooth thread
Audi VIN specific codes
more info at vindecoderz
google description of mid year change before & after VIN 4DW004500 - THIS COMES UP WHEN ORDERING PARTS, IN PARTICULAR THE REAR BRAKES THIS TIME
2026-01 Differences in the D2 years
2026-01 history of the Audi 4.2L V8 (local .jpg)
2025-06-23 The 2008 Audi S8 Packs A 444-HP V10 And Costs Less Than $20,000 Used
2025's Most Overlooked Full-Size Luxury Sedan Deserves Your Attention
Swedish guy who swapped an RS6 engine into D2
Quatoro AWD System history and description
pic of super clean D2 engine bay
C:\RB\vehicles\audi\000 audi_parts_manual #diagram.pdf
antenna
sunroof controller & track
headliner
cd player
the gear shift knob
emissions component in trunk
rear window screen and motor
rear side window door cards with window screens
2025-10 Middlefield foreign auto recommends Power stop brand brake parts at Parts Warehouse in Solon
2025-08-26 Philips couldn't figure out electrical issues
I called DAPrepair.com in Kent and they only work on cars up to 20 years old
they recommended Middlefield Foreign Auto
FCP Euro is recommended by several in Facebook Audi groups 2024-12
Audi A8 parts from them
to get items from the Traditions Audi group that won't send to the US, try Facebook
Issam Abed in CA or
Dean Smith in Germany 1 2 3
others 2
2025-08 saw ad for lifetimeaudiparts Audi specific junkyard but they might be mostly newer years
author of this post Dean Smith kind of offered to help get parts to the U.S.
his post points to autofans parts diagrams and others
oddly, there is an Audi Traditions parts group that has new old stock parts but won't ship to the US. To have a new bumper shipped to Niagara Falls Canda would be
709.67 EUR for the part
378.15 EUR for shipping
1087.82 EUR total
ebay seller Wolf Auto in Wisconsin has a ton of D2 used parts
Audi Parts Unlimited facebook page
in Russell: Vivander German Auto Recycling the guy I spoke to about front bumper and later buying parts car from me was Brett
I think Dave at Bainbridge Auto's go to used parts guys are Interstate Auto in Ravena
Intercity Auto Parts in Walton Hills, near Cuyahoga National Park
recommended by Dave at Smith's
didn't have bumper, but has bought parts from ebay sellers in Latvia and Romania and had good experience.
car-part.com
find it anywhere type service I think
recommended by Dave at Smith's
wirthman auto
columbus salvage yard Aliquippa guy said shows as having one or more D2s that might have the inner fenders
3515 East Main Street, Columbus, OH 43213 614-231-2752 800-433-4364 closed weekends
Best Foreign Auto Salvage & Sales Inc. in Aliquippa
place where kid at tire shop in Cuyahoga Falls bought engine to fit his 99 A8 for $500
couldn't get bumper but has both plastic inner fenders and will sell them for $75ish
denver bumper info at C:\RB\vehicles\audi\000 bumper search\denver
according to a number of posts on the Facebook D2 group, D2s have
57.1mm center hole
5x112 bolt pattern
this post on audiword forums
"Pre-facelift (97-99) and "Facelift" (00-03): 2 different cars..
.very different engines. 32V with 2 stage manifold in Pre...40V with 3 stage intake and variable valve timing in the Facelift.
Body/appearance differences
/light location differences...
different interiors/equipment..
different suspension and added body bracing in facelift
1999 technical specs
figure out what this means:
Fully automatic dual zone climate control system with "rest" function (can operate with vehicle shut off) dual sun sensors with active charcoal filter
and
Convenience close feature for windows and sunroof
Electrical front seat belt height adjustment
not sure about the front, but the rear outboard seatbelts have "pyrotechnic pretensioners"
see this article about seatbelt tensioners for reason passenger side on lincoln and land rover suck
2023-01-11 p11 of Owner's Manual on replacing batteries. It takes qty 2 of the 1620 size.
"If you cannot lock or unlock your vehicle after you havve changed the batteries, then the system must be re-synchronized. See page 18. "
page 18 states "To synchronize, press one of the buttons on the remote control. Then, within one minute, lock or unlock the door lock. The system is now funcitonal."
It didn't work for me.
I got mine working by following directions from here:
Remote Control Programming (1997 ON)
Procedure
1. Switch Ignition ON and leave key in the ignition.
2. Mechanically lock the vehicle using the Drivers door using a second key
3. Using the remote control press the Unlock button once, and the horn will sound once.
4. Wait 6 seconds and press the unlock button once to activate the coding procedure. The remote control will now be programmed.
Note: When performing programming on additional remotes the procedure is exactly the same, except you press the unlock button 2, 3 or 4 times for different remote.
For example: If programming 2 remotes press the unlock button twice with a 1 second interval between each press, repeat for 3 and 4 remotes.
5. Switch ignition OFF.
6. Remove key from ignition and check for operation.
7. The coding procedure can be repeated up to 4 times for additional remotes.
8. The ignition must be switched OFF between programming each remote control.
this post was also useful:
1. Take the key you DO NOT want to program and put it in the ignition. Turn it one click forward.
2. Close and lock the drivers door with the second key.
3. On the second key (the one in the drivers door) press the 'UNLOCK' button ONCE only. The lights will flash on the car, but the doors will remain locked
4. With the second key still in the drivers door, unlock then lock the door again.
5. Pull the key from the slot and test remote functions.
6. Open drivers door, remove key from ignition.
this post claimed some battery brands won't work; my "Amazon's Choice" brand batteries worked fine.
2025-02 found this 2019 post that has the same "Remote Control Programming (1997 ON)" procedure as above with this additional information
Remote Control Erasing (1997 ON)
Procedure
1. Switch ignition ON and leave key in the ignition.
2. Mechanically lock the vehicle using the Drivers door using a second key.
3. Press the remote control unlock button 5 times in 1-second intervals.
A short horn will sound.
4. Wait 6 seconds and press the unlock button once to activate memory erase.
5. Switch ignition OFF, all remotes are now tuned in..
I haven't tried it, but the first link above indicates:
Remote Control Erasing (1997 ON)
Procedure
1. Switch ignition ON and leave key in the ignition.
2. Mechanically lock the vehicle using the Drivers door using a second key.
3. Press the remote control unlock button 5 times in 1-second intervals.
A short horn will sound.
4. Wait 6 seconds and press the unlock button once to activate memory erase.
5. Switch ignition OFF, all remotes are now tuned in..
this post has more involved techniques that involve the VAG software tool.
good descriptions of commonissues on D2ss
audipages tutorial youtube video (actually for front but similar) Caliper replacement video
service manual toc for sunroof path: Repair Tips Body General Body Assembly, Exterior (Rep. groups 50, 55, 57, 58, 60, 63, 64, 66) Sliding roof Sun roof
A6 sunroof repair after drained battery moved sunroof too far back found link from this video in this post
Adjusting height of sun roof panel
2023-08 called Land and Sea Upholstry
Adam can repair it, but he is about 2 months out
Land and Sea Upholstery
38005 Apollo Pkwy, Willoughby, OH, United States, Ohio
https://www.facebook.com/LandandSeaUpholstery/
call or text him at 440.364.6162 before running up there
removing headliner prior to removing sunroof
> General Body Assembly, Interior; Repair group 70; Roof trim; Removing moulded headliner
click Page 70-77 link
facebook post showing pics of where sunroof drains are images: 1 2 3 4
It is behind the bumper - you can only see the outside of it with the bumper off. Spectacularly dumb since they block up so easily. You can get to it from the inside by pulling the boot side carpets in to the centre - the body grommets are just aft of the wheel wells, above the battery / amp trays. You can pull the tube out and blow compressed air through the grommet to blast the schmutz out of it, although bear in mind if the sunroof tray is full of water you'll end up filling up the battery tray or amp when you pull the tube off. I got 2 gallons out of one of mine
thread on cowl drain, evaporator drain and sunroof drain plugged and another this happened to me ~2020-12 and I used the audipages technique to clean the cowl drain
auidpages tutorial 2006 a8l video
good oil change blog entries from audi-diy
in ~2017 I put on EBC drilled and slotted rotors - the fronts only lasted about 2 years of use (and ~1 year of sitting idle)
Article on the initial design of the A8
Replace a hub and bearing video
audipages Fresh Air Blower Replacement - I originally bookmarked this in 2016, not sure why
super detailed Water Pump Replacement article with many pics - SHOULD DOWNLOAD THIS ONE
thread on cowl drain, evaporator drain and sunroof drain plugged and another this happened to me ~2020-12 and I used the audipages technique to clean the cowl drain
removing air vents: i had this link which no longer has pictures, but post 60 text reads "remove the front driver's side air vent. You need to wedge up the two clips at the bottom of the air vent, you can then us a hook type tool to remove the vent by pulling it forward"
i think i had to do this to take out the center console, radio, etc.
parking brake nut: back off nut (ccw) to make lever go up easier
amazon Smart Kup Car Cup Holder
Cup Holder Adapter - Black 2 pack another amazon search
tucks in beside console
video of entire removal process part 1 part 2
putting on new material video
this facebook post listed in part
this post speaks about the blower motor and air mixing system (not blend doors)
this facebook post "...heat/air has stopped blowing through all vents on the car. But you can hear the blower motor still making noise the more I turn the fan up..."
1. Pushing the recirculated air button sometimes makes it blow out the vents again
2.
issue with either one of two flap motors/potentiometers under the hood where wiper mechanism is
see
C:\RB\vehicles\audi\jack locations
C:\RB\vehicles\audi\audi rear jack location
2026-01 jack points d2
floor jack accessroy that acts as jackstand, pretty reasonalbly priced
audizine post with good pics on ideas on mouting the engine on wood blocks or an engine stand.
Audipages shows these pics in article discussing control arm replacement pic 1 pic 2
this Audiworld post reads "It's in the manual ... there are rubber pads positioned under the car just inside the factory jack points." and has this image
this Audiworld post reads "I normally jack up the rear and put the stands under the big round rubber pieces with the bolt going through them in the vertical direction....." with this pic and "And the fronts:" with this pic and "Be careful, I have found that you have to do this in at least two steps to get the jack stands high.....put the whole car up on them on low settings then go around the car and raise each one up again jacking that corner up." [Oddly, the pic for the front is the same as the second AudiPages image linked above. Upon investigation, I found both are Paul W.
in this post the author jacks 2007 a6 at jacking points and puts jack stands under engine subframe item 20 in this pic for the front and item 1 in this pic for the rear
VW Phaetons
come with tool pictured here, I think A8s have one too
this AudiWorld post
For the front Front: On the plate where the front sub-frame attaches to the unibody." [Ignore the stand that's to the front of the shot, at the front.
I hadn't put in a back jackstand, on that pic.]
For the back: "Round mount at the front side on the wheel well, just inboard of the wheel well"
Another
poster for front wrote "under the 4" round steel plates that are directly in towards the motor from the center of the tire and rim.
Looks like a motor mount but it isn't, as there are two more in the rear of the car."
and for rear "the rear spot is more towards the rear of the car and more directly in from the trailing edge of the rear fender well"
cap for floor jack so pinch weld isn't crushed
discussion on drains in facebook thread and another
facebook post on water in passenger floor area
thread showing image of all evap components
see page 90 of "Service Manual Fuel supply system - Petrol engines.pdf" for very simple image
see page 129 of "Service Manual Motronic Injection and Ignition System (8-cylinder AQG, AQF, AQH, ARU, AKC, AUW, (1).pdf" for "Checking activated charcoal filter system solenoid valve 1 -N80" electrically
quattroworld thread with VERY similar issues to mine
decent video on where it is, tips, etc. 17mm 19mm
D3 S8s are cheap and worth it with V10 and Lambo Gallardo engine from carbuzz.com
2024-06-2x took it to Smith's and problem this time was the left valve cover (i think ) leaking oil onto electrical connector on side of transmission
Dave confirmed there is oil pressure but couldn't clean the connector enough to get tachometer off and oil pressure indicator off
I drove about an hour on the highway and the tach started bumping up on occasion and kept getting better for the next hour, then seemed fine
there is still an issue with rpm surging that seems unrelated, next to try putting original idle control valve with a gasket (after swapping during troubleshooting with '97 a couple weeks ago)
This post describes the tach & oil light issue's exact pins on a the older S2 / RS2 models. It also describes the sunroof drains
This post describes the tach & oil light on an A4. Mentions bad engine speed sensor theory for oil pressure light and similar symptoms for bad ground wire on coil pack
2022-12 problem was breather hose leaking
Rev counter not working - AudiWorld Forums
Flashing oil light and rev counter not working.... - AudiWorld Forums
oil warning light
audizine post with my exact symptoms
and another from audiworld in 5000 series where someone suggest bad electrical connenctor
another post looking for an original post on the issue where someone suggests it may be electrical connection under passenger side floor (I think the ECU is there.)
audiforums similar issue to mine in A4
another where someone suggest bad instrument cluster
audiworld A4 post where someone suggests speed sensor
audiworld post where some suggests cam sensor or crank trigger
not 100% sure this will work with mine since it lists "European" and not sure what size ball, but this might be an option
TAG Towbar European for Audi A8 (07/1995 - 09/2002)
2025-05 this facebook post about repairing a D2 transmission
good post showing teardown showing valve body " ZF Dortmund for Gearbox maintenance"
ZF Valve body rebuild - AudiWorld Forums
5HP24A Transmission, Valve Body Fix - Modification Version 1 - AudiWorld Forums
transmission speed sensor - AudiWorld Forums
changing filter and fluid video
audiworld post on hunting issue related to torque converter and another similar one here
tozo I think is the guy in Chicago that is supposed to be really good with D2 transmissions.
link here
last updated: Mon 2026-02-23 6:06 AM